sábado, 29 de mayo de 2010

Amplificadores Operacionales

Amplificadores operacionales (AO)
• Amplificadores diferenciales integrados
• Desarrollados para aplicaciones de cálculo computacional analógico (suma, resta,
integración, derivada,…)
• Utilidad de los AO en audio
– Cualidades casi ideales para acoplo en tensión
– Permiten realizar circuitos analógicos complejos utilizando pocos componentes
– Baja sensibilidad frente a las tolerancias de los componentes analógicos
• Bloque fundamental en la realización de circuitos específicos de audio



Amplificadores operacionales (AO)





Etapas de entrada balanceadas-activas
• La irrupción de los amplificadores operacionales popularizó la utilización de
conexiones balanceadas activas (diferenciales) en audio
– Menor coste que las líneas balanceadas con transformadores
– Reducción de peso y tamaño
– Posibilidad de incluir conexiones balanceadas en las etapas de circuitería
interna de los equipos
– Excelente calidad de sonido

Etapas de entrada balanceadas-activas




Etapas de salida balanceadas-activas

• Existen varios diseños dependiendo de la aplicación y la inmunidad frente a ruido
• Son preferibles las configuraciones que permiten cortocircuitar una de las salidas
para conectar a equipos con entradas no balanceadas
• Para salidas de baja impedancia (~50ohm, corrientes elevadas) es necesario combinar
componentes discretos a la salida que proporcionen la ganancia en corriente
necesaria




Amplificadores de mezcla

• Amplificador de mezcla
– Pondera varias entradas en una salida
– Elevado aislamiento entrada/salida
– Elevado aislamiento entre entradas
– Muy utilizado en las consolas multicanal









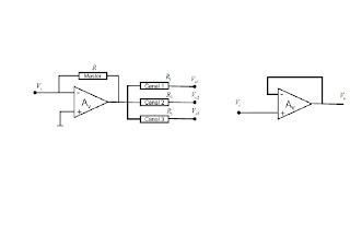
Amplificadores de distribución

• Amplificador de distribución
– Distribución de una señal a diferentes cargas (canales)
– Ganancia de corriente suficiente (impedancia de salida baja)
– Elevado aislamiento entrada/salida
– Componente básico en consolas multicanal

• Amplificador de aislamiento (unity-gain buffer)
– Adaptación de impedancias (independiza entrada/salida)
– Impedancia de entrada elevada
– Impedancia de salida baja mediante componentes discretos





Nombre Alexander Sayago
Electronica de Estado Solido
Seccion 1

No hay comentarios:

Publicar un comentario